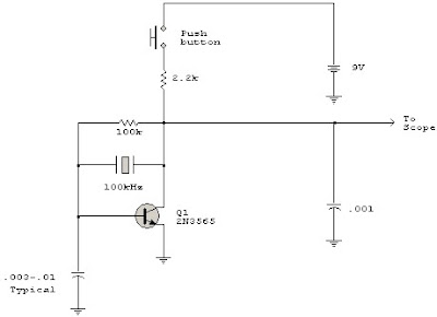
The calibrator operates on exactly 100 kHz providing a reference for calibrating the variable time base oscillator of general purpose scopes. For example, if the scope is set so that one cycle of the signal fills exactly 10 graticule divisions then each division represents 1 MHz, or 1 microsecond. If the scope is adjusted for 10 cycles on 10 graticule divisions. (1 cycle per division) then each division represents 100 kHz or 10 microseconds.

0 comments:
Publicar un comentario